首页
关于淄柴
新闻动态
淄柴文化
党建工作
产品与服务
人力与资源
办公中心
走进淄柴 >
品牌文化 >
企业大事记 >
企业荣誉 >
淄柴风采 >
视频影像 >
淄柴动态 >
媒体聚焦 >
信息公开 >
行业新闻 >
社会责任 >
文化理念 >
文化活动 >
链接淄柴 >
电子报刊 >
学习贯彻党的二十届三中全会精神 >
学习贯彻党的二十大精神 >
学习专栏 >
主题教育 >
党建动态 >
纪检动态 >
群团动态 >
我们的产品 >
船用发动机
发电机组
气体机组
煤矿乏风氧化装置
LNG柴油双燃料发动机
销售网络 >
总公司国内销售市场
总公司国外销售市场
气体机国内销售市场
气体机国外销售市场
客户案例 >
煤矿企业客户案例
船用陆用发电机客户案例
发电机客户案例
客户服务 >
服务网点
服务人员
配件销售
在线留言
专利与认证 >
技术专利
资质认证
社会招聘 >
校园招聘 >
人才理念 >
OA登录接口 >
K3登录接口 >
手机首页 >
导航 >
企业邮箱
中
EN
PYCCKNN
ELRUSO
搜索
首页
>
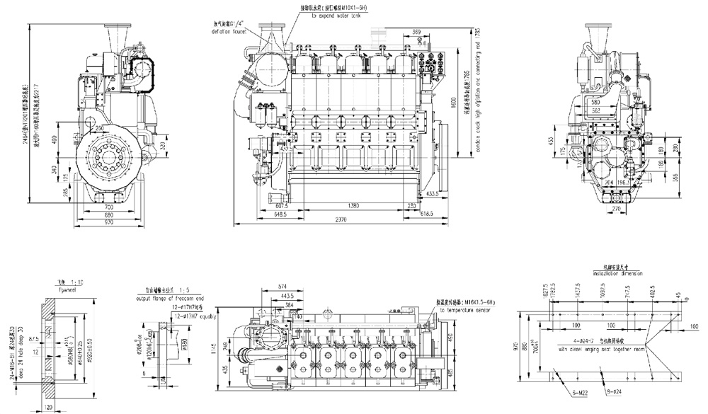
210系列
5210 船用柴油机
2019-11-12 09:53:30 点击次数:
作者:本站
上一篇:
第一页
下一篇:
6210船用柴油机
关于淄柴
走进淄柴
品牌文化
企业大事记
企业荣誉
淄柴风采
视频影像
新闻动态
淄柴动态
媒体聚焦
信息公开
行业新闻
社会责任
淄柴文化
文化理念
文化活动
链接淄柴
电子报刊
党建工作
学习贯彻党的二十届三中全会精神
学习贯彻党的二十大精神
学习专栏
主题教育
党建动态
纪检动态
群团动态
产品与服务
我们的产品
销售网络
客户案例
客户服务
专利与认证
全国服务热线
400-6330-977
传真:0533-2068064
地址:淄博市高新区裕民路118号淄柴工业园
关于我们
《中华人民共和国电信与信息服务业经营许可证》编号:
鲁ICP备10204199号-1
公网安备37039002000404号